ZT190VA兩軸單光轉臺主要由伺服運動框架、傳感器支撐框架、減震器、30倍可見光相機、伺服驅動板、圖像跟蹤板、陀螺儀等部分組成。具有重量輕、穩定精度高和集成度高等特點,可應用在無人車、裝甲車、哨塔上,完成對目標區域的晝夜偵察、監視和目標定位等任務。
光電轉臺通過紅外熱像儀和可見光相機實現全天時對地目標的探測、識別和跟蹤,并實時輸出紅外和可見光視頻供任務執行人員查看。
光電轉臺主要應用于對空探測、對地探測、邊海防、制高點監控、邊境崗哨等場景。
一、?實物圖片
?
圖1 產品圖片
二、?產品功能
a)?具有典型目標自動識別、自動跟蹤功能;
b)?具備自檢和故障上報功能;
c)?具備可見光30倍光學變倍功能;
d)?可見光具備光學變倍、自動對焦、手動調焦和低照度功能;
e)?具備方位、俯仰兩自由度運動的能力;
f)?具備自動搜索/手動搜索/隨動/自動跟蹤/收藏等多種工作模式;
g)?手動搜索模式下,具備接收控制站指令并完成轉臺操作的功能;
h)?具備隔離載體擾動,穩定瞄準線的能力;
i)?具備鎖定/解鎖目標功能,且鎖定目標后轉臺輸出圖像為帶有跟蹤框的圖像;
j)?具備目標自動跟蹤功能,能自動跟蹤目標,具備抗自然干擾的能力;
k)?具備記憶跟蹤功能,目標在短暫丟失后,可短時間內再次捕獲;
l)?具備調節波門大小的功能;
m)?具備跟蹤點切換功能;
n)?具備目標定位功能;
o)?光學艙氣密;
p)?具備拍照和錄像功能。
三、?搭載平臺
無人車、裝甲車、監控塔等。
四、?主要技術參數
型號 | ZT190VA |
可見光相機 |
分辨率 | 1920×1080 |
響應波段 | 0.4μm~0.9μm |
像元尺寸 | 2.8μm |
光學變倍 | 30倍 |
混合變倍 | 60倍 |
焦距 | 4.3mm~129mm |
視場角 | 63.7°×35.8°~2.3°×1.3° |
變焦方式 | 自動對焦、手動調焦 |
最低照度 | 0.01Lux |
伺服平臺 |
方位轉角 | 360°×n(360°連續旋轉) |
俯仰轉角 | -15°~+90°(向上為正) |
框架角精度 | ≤0.1°(1σ) |
穩定精度 | ≤0.1mrad(1σ) |
最大調轉速度 | 方位≥60°/s,俯仰≥60°/s |
最大調轉加速度 | 方位≥100°/s2,俯仰≥100°/s2 |
系統指標 |
圖像跟蹤 | 自動跟蹤選定目標 |
供電電壓 | 20V~32VDC |
功率 | 穩定功耗:≤40W |
重量 | ≤4.7Kg |
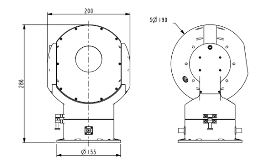
體積 | ≤190mm×200mm×286mm |
接口 |
控制接口 | CAN/422/百兆網 |
視頻接口 | 百兆網 |
存儲接口 | ≤128G存儲卡(Micro SD卡) |
圖片格式 | jpg格式 |
視頻格式 | avi格式 |
環境適應性 |
工作溫度 | -40℃~+60℃ |
存儲溫度 | -45℃~+70℃ |
振動條件 | 加速度為6.06g;垂直、橫向、縱向三個方向各30min。 |
沖擊條件 | 峰值加速度20g,持續時間11ms |
防護等級 | 光學艙氣密 |
?
五、?機械尺寸及安裝接口
?
?
圖2產品機械尺寸圖