ZT190TA兩軸三光轉臺

ZT190TA兩軸三光轉臺主要由伺服運動框架、傳感器支撐框架、減震器、紅外相機、可見光相機、激光測距機、伺服驅動板、圖像跟蹤板、陀螺儀等部分組成。具有重量輕、穩定精度高和集成度高等特點,可應用在無人車、裝甲車、哨塔上,完成對目標區域的晝夜偵察、監視和目標定位等任務。

光電轉臺通過紅外熱像儀和可見光相機實現全天時對地目標的探測、識別和跟蹤,并實時輸出紅外和可見光視頻供任務執行人員查看。

光電轉臺主要應用于對空探測、對地探測、邊海防、制高點監控、邊境崗哨等場景。

一、?實物圖片

ZT190TA兩軸三光轉臺?

1 產品圖片

二、?產品功能

a)?具有典型目標自動識別、自動跟蹤功能;

b)?具備自檢和故障上報功能;

c)?具備可見光30倍光學變倍功能;

d)?具備紅外、可見光波段探測能力,能輸出紅外圖像和可見光圖像;

e)?可見光具備光學變倍、自動對焦、手動調焦和低照度功能;

f)?紅外具備電子放大和調色板切換功能;

g)?具備激光測距功能;

h)?具備方位、俯仰兩自由度運動的能力;

i)?具備自動搜索/手動搜索/隨動/自動跟蹤/收藏等多種工作模式;

j)?手動搜索模式下,具備接收控制站指令并完成轉臺操作的功能;

k)?具備隔離載體擾動,穩定瞄準線的能力;

l)?具備鎖定/解鎖目標功能,且鎖定目標后轉臺輸出圖像為帶有跟蹤框的圖像;

m)?具備目標自動跟蹤功能,能自動跟蹤目標,具備抗自然干擾的能力;

n)?具備記憶跟蹤功能,目標在短暫丟失后,可短時間內再次捕獲;

o)?具備調節波門大小的功能;

p)?具備跟蹤點切換功能;

q)?根據激光測距和載車姿態信息可解算目標坐標;

r)?具備目標定位功能;

s)?光學氣密;

t)?具備拍照和錄像功能。

三、?搭載平臺

無人車、裝甲車、監控塔等。

四、?主要技術參數

型號

ZT190TA

紅外熱像儀

探測器類型

非制冷焦平面探測器

工作波段

8μm~14μm

探測器分辨率

640×512

像元尺寸

12μm

鏡頭焦距

25mm~75mm

視場角

17.4°×14°~5.8°×4.7°

偽彩

6種

數字變倍

1~4X

噪聲等效溫差

NETD≤50mK

最小可分辨溫差

MRTD≤500mK

可見光相機

分辨率

1920×1080

響應波段

0.4μm~0.9μm

像元尺寸

2.8μm

光學變倍

30倍

混合變倍

60倍

焦距

4.3mm~129mm

視場角

63.7°×35.8°~2.3°×1.3°

變焦方式

自動對焦、手動調焦

最低照度

0.01Lux

激光測距機

波長

1535nm

最大測距距離

≥6km(能見度≥15Km條件下)

最小測距距離

≤20m

測距精度

≤2m

測距頻率

15Hz

伺服平臺

方位轉角

360°×n(360°連續旋轉)

俯仰轉角

-15°~+90°(向上為正)

框架角精度

≤0.1°(1σ)

穩定精度

≤0.1mrad(1σ)

最大調轉速度

方位≥60°/s,俯仰≥60°/s

最大調轉加速度

方位≥100°/s2,俯仰≥100°/s2

系統指標

圖像跟蹤

自動跟蹤選定目標

供電電壓

20V~32VDC

功率

穩定功耗:≤40W

重量

≤5Kg

體積

≤190mm×200mm×277mm

接口

控制接口

CAN/422/百兆網

視頻接口

百兆網

存儲接口

≤128G存儲卡(Micro SD卡)

圖片格式

jpg格式

視頻格式

avi格式

環境適應性

工作溫度

-40℃~+60℃

存儲溫度

-45℃~+70℃

振動條件

加速度為6.06g;垂直、橫向、縱向三個方向各30min。

沖擊條件

峰值加速度20g,持續時間11ms

防護等級

光學艙氣密

?

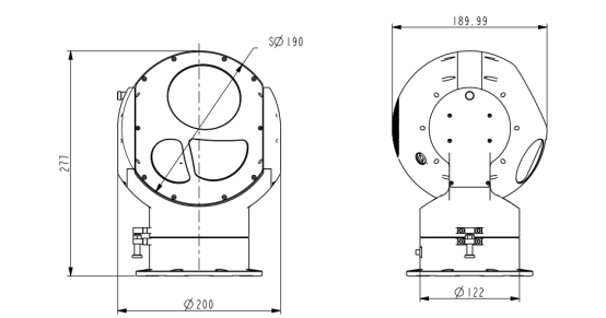
五、?機械尺寸及安裝接口

?

ZT190TA兩軸三光轉臺?

2產品機械尺寸圖

ZT190TA兩軸三光轉臺?

3產品安裝接口圖


相關推薦

高頻響無衰減電感式傳感器集成電路
高頻響無衰減電感式傳感器集成電路
TR22S系列熱成像瞄具
TR22S系列熱成像瞄具
TR23S系列熱成像瞄具
TR23S系列熱成像瞄具