S430FA光電吊艙兩軸四光吊艙由制冷紅外熱像儀、17倍連續變倍可見光相機、激光測照儀、兩軸伺服穩定平臺和圖像處理組件(自主識別、跟蹤)組成。具有高精度、作用距離遠等特點,可應用在中、小型無人機上,完成對目標區域的晝夜偵察、監視等任務。
光電吊艙通過制冷紅外熱像儀和可見光相機實現全天時對地目標的探測、識別和跟蹤,并同時實時輸出紅外和可見光視頻供任務執行人員查看。
該吊艙已經適配過國內多家主流飛控平臺,可實現與飛控的無縫對接;并可接入本單位ViewControlStudio顯控軟件平臺,協助總體單位快速完成無人機系統的開發。
該光電吊艙主要應用于偵查、邊防巡邏、人員搜救、森林防火等場景。
?
一、?產品圖片
?
圖1 產品圖片
二、?產品功能
a)?具有典型目標自動識別、自動跟蹤功能;
b)?具備自檢和故障上報功能;
c)?具備可見光17倍光學變倍功能;
d)?具備紅外、可見光波段探測能力,能輸出紅外圖像和可見光圖像;
e)?可見光具備光學變倍、自動對焦、手動調焦和低照度功能;
f)?紅外具備電動調焦電子放大功能;
g)?具備激光測距功能;
h)?具備方位、俯仰兩自由度運動的能力;
i)?具備自動搜索/手動搜索/隨動/跟蹤等多種工作模式;
j)?具備接收控制站指令并完成吊艙操作的功能;
k)?具備隔離載體擾動,穩定瞄準線的能力;
l)?具備鎖定/解鎖目標功能,且鎖定目標后吊艙輸出圖像為帶有跟蹤框的圖像;
m)?具備目標自動跟蹤功能,能自動跟蹤目標,具備抗自然干擾的能力;
n)?具備記憶跟蹤功能,目標在短暫丟失后,可短時間內再次捕獲;
o)?具備調節波門大小的功能;
p)?具備跟蹤點切換功能;
q)?根據激光測距、吊艙方位俯仰角和無人機姿態信息可解算目標坐標;
r)?可通過千兆網/RS422與控制站雙向通信,并輸出紅外圖像、可見光圖像、系統工作狀態、相機工作狀態、光軸位置等信息;
s)?具備千兆網視頻輸出接口;
t)?具備拍照和錄像功能;
?
三、?掛載平臺
垂起固定翼無人機、旋翼無人機、系留無人機等。
?
四、?主要技術參數
型號 | S430FA |
制冷紅外 | |
探測器類型 | 制冷探測器 |
工作波段 | 3μm~5μm |
探測器分辨率 | 640*512 |
像元尺寸 | 15um |
鏡頭焦距 | 15~300mm |
視場角 | 35.5°×28.7°~1.8°×1.5° |
噪聲等效溫差 | NETD≤20mK |
最小可分辨溫差 | MRTD≤180mK |
可見光相機 | |
分辨率 | 1920*1080 |
響應波段 | 0.4μm~0.9μm |
像元尺寸 | 3.75um |
光學變倍 | 17倍 |
焦距 | 12~200mm |
視場角 | 30.9°×17.7°~1.9°×1.1° |
變焦方式 | 自動對焦、手動調焦 |
最低照度 | 0.01Lux(黑白) |
激光照射 | |
激光照射 | 80mJ |
激光測距機 | |
波長 | 1535nm |
最大測距距離 | 10000m(能見度≥15km天氣條件下) |
最小測距距離 | 100m |
測距精度 | ≤2m |
測距頻率 | 1~5Hz |
伺服平臺 | |
方位轉角 | 360°×n(360連續旋轉) |
俯仰轉角 | -120°~+90° |
穩定精度 | ≤0.3mrad(1σ)(5°/0.5Hz搖擺); |
測角精度 | ≤1.5mrad(1σ); |
最大調轉速度 | 方位方向≥60°/s,俯仰方向≥60°/s |
最大調轉加速度 | 方位方向≥60°/s2,俯仰方向≥60°/s2 |
系統指標 | |
供電電壓 | 直流24V~32V |
功率 | 穩定功耗:≤100W; |
重量 | ≤65Kg |
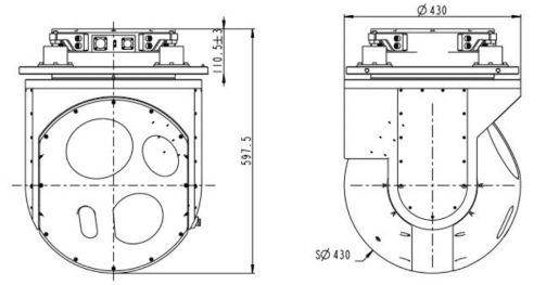
體積 | ≤430mm×430mm×598mm |
連續工作時間 | ≥12h |
圖像記錄時間 | ≥12h |
存儲容量 | ≥128G |
圖像幀頻 | ≥25Hz |
接口 | |
控制接口 | RS-422 |
視頻接口 | 千兆網(H.264) |
存儲接口 | 存儲卡(Mini SD卡) |
存儲格式 | .avi格式 |
環境適應性 | |
工作溫度 | -40℃~+60℃ |
存儲溫度 | -50℃~+70℃ |
防護等級 | 防小雨 |
?
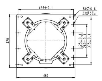
五、?機械尺寸及安裝接口

?
圖2外形尺寸圖
?
相關推薦








