S230TC兩軸三光吊艙

S230TC光電吊艙由制冷紅外熱像儀、30倍連續變倍可見光相機、激光測距儀、兩軸伺服穩定平臺和圖像處理組件(自主識別、跟蹤)組成。具有高精度、作用距離遠等特點,可應用在中、小型無人機上,完成對目標區域的晝夜偵察、監視等任務。

光電吊艙通過制冷紅外熱像儀和可見光相機實現全天時對地目標的探測、識別和跟蹤,并同時實時輸出紅外和可見光視頻供任務執行人員查看。

該吊艙已經適配過國內多家主流飛控平臺,可實現與飛控的無縫對接;并可接入本單位ViewControlStudio顯控軟件平臺,協助總體單位快速完成無人機系統的開發。

該光電吊艙主要應用于偵查、邊防巡邏、人員搜救、森林防火等場景。

一、?實物圖片

S230TC兩軸三光吊艙?

1 產品圖片

二、?產品功能

a)?具有典型目標自動識別、自動跟蹤功能;

b)?具備自檢和故障上報功能;

c)?具備可見光30倍光學變倍功能;

d)?具備長波紅外、可見光波段探測能力,能輸出紅外圖像和可見光圖像;

e)?可見光具備光學變倍、自動對焦、手動調焦和低照度功能;

f)?紅外具備4倍連續變焦功能;

g)?具備激光測距功能;

h)?具備方位、俯仰兩自由度運動的能力;

i)?具備自動搜索/手動搜索/隨動/跟蹤等多種工作模式;

j)?手動搜索模式下,具備接收控制站指令并完成吊艙操作的功能;

k)?具備隔離載體擾動,穩定瞄準線的能力;

l)?具備鎖定/解鎖目標功能,且鎖定目標后吊艙輸出圖像為帶有跟蹤框的圖像;

m)?具備目標自動跟蹤功能,能自動跟蹤目標,具備抗自然干擾的能力;

n)?具備記憶跟蹤功能,目標在短暫丟失后,可短時間內再次捕獲;

o)?具備調節波門大小的功能;

p)?具備跟蹤點切換功能;

q)?根據激光測距、吊艙方位俯仰角和無人機姿態信息可解算目標坐標;

r)?可通過百兆網/RS422與控制站雙向通信,并輸出紅外圖像、可見光圖像、系統工作狀態、相機工作狀態、光軸位置等信息;

s)?具備HD-SDI/百兆網多路視頻輸出接口;

t)?具備拍照和錄像功能

三、?掛載平臺

垂起固定翼無人機、旋翼無人機、系留無人機等。

四、?主要技術參數

型號

S230TC

紅外熱像儀

探測器類型

制冷焦平面探測器

工作波段

3μm~5μm

探測器分辨率

640×512

像元尺寸

15μm

鏡頭焦距

20mm~275mm連續變焦

視場角

27°×21.7°~2°×1.6°

噪聲等效溫差

NETD≤20mK

最小可分辨溫差

MRTD≤180mK

可見光相機

分辨率

1920×1080

響應波段

0.4μm~0.9μm

像元尺寸

2.8μm

光學變倍

30倍

混合變倍

60倍

焦距

4.3mm~129mm

視場角

63.7°×35.8°~2.3°×1.3°(±5%)

變焦方式

自動對焦、手動調焦

最低照度

0.01Lux(黑白)

激光測距機

波長

1535nm

最大測距距離

≥6km(能見度≥15Km條件下)

最小測距距離

≤20m

測距精度

≤2m

測距頻率

1~5Hz

伺服平臺

方位轉角

360°×n(360°連續旋轉)

俯仰轉角

-120°~+90°(向上為正)

框架角精度

≤0.06°(1σ)

穩定精度

≤0.05mrad(1σ)

角位置精度

≤1mrad(1σ)

最大調轉速度

方位≥60°/s,俯仰≥60°/s

最大調轉加速度

方位≥100°/s2,俯仰≥100°/s2

系統指標

圖像跟蹤

自動跟蹤選定目標(選配)

AI識別

自動檢測、識別典型目標

額定工作電壓

24VDC

供電電壓范圍

20V~32VDC

功率

穩定功耗:≤60W

重量

≤8.5Kg

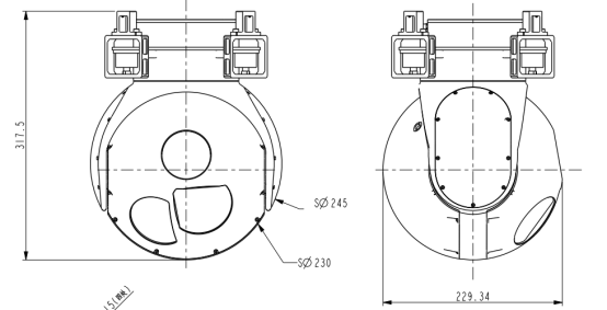
體積

≤230mm×245mm×318mm

接口

控制接口

RS422/百兆網

視頻接口

HD-SDI/百兆網

存儲接口

≤128G存儲卡(Mini SD卡)

圖片格式

jpg格式

視頻格式

avi格式

環境適應性

工作溫度

-40℃~+60℃

存儲溫度

-45℃~+60℃

振動條件

加速度為2g;垂直、橫向、縱向三個方向各30min。

沖擊條件

峰值加速度20g,持續時間11ms

防護等級

可在小、中雨中飛行


五、?機械尺寸及安裝接口

S230TC兩軸三光吊艙?

?

S230TC兩軸三光吊艙?

2產品機械尺寸圖


相關推薦

高頻響無衰減電感式傳感器集成電路
高頻響無衰減電感式傳感器集成電路
TR22S系列熱成像瞄具
TR22S系列熱成像瞄具
TR23S系列熱成像瞄具
TR23S系列熱成像瞄具