S185DA-Q兩軸四框架雙光吊艙主要由可見光相機、激光測距機、內慣導、兩軸四框伺服穩定平臺和圖像處理組件(自主識別、跟蹤)組成。具有目標自動識別、超高穩定精度、目標高精度定位等特點,可應用在中、小型無人機和高速無人機上,完成對目標區域的偵察、定位、監視等任務。
光電吊艙通過可見光相機實現對地目標的探測、識別和跟蹤,并實時輸出可見光視頻供任務執行人員查看。
該吊艙已經適配過國內多家主流飛控平臺,可實現與飛控的無縫對接;并可接入本單位ViewControlStudio顯控軟件平臺,協助總體單位快速完成無人機系統的開發。
該光電吊艙主要應用于偵查、邊防巡邏、人員搜救、森林防火、目標定位等場景。
一、?實物圖片
?
圖1 產品圖片
二、?產品功能
a)?具有典型目標自動識別、自動跟蹤功能;
b)?具備自檢和故障上報功能;
c)?具備可見光20倍光學變倍功能;
d)?具備方位、俯仰兩自由度運動的能力;
e)?具備自動搜索/手動搜索/隨動/自動跟蹤/收藏等多種工作模式;
f)?具備隔離載體擾動,穩定瞄準線的能力;
g)?具備鎖定/解鎖目標功能,且鎖定目標后吊艙輸出圖像為帶有跟蹤框的圖像;
h)?具備目標自動跟蹤功能,能自動跟蹤目標,具備抗自然干擾的能力;
i)?具備記憶跟蹤功能,目標在短暫丟失后,可短時間內再次捕獲;
j)?具備調節波門大小的功能;
k)?具備跟蹤點切換功能;
l)?具備目標高精度定位功能;
m)?可通過串口/百兆網(UDP)與控制站雙向通信,可輸出系統工作狀態、相機工作狀態、光軸位置等信息;
n)?具備兩軸四框架結構;
o)?具備多目標檢測功能。
p)?具備拍照和錄像功能;
三、?搭載平臺
無人機等機載平臺。
四、?主要技術參數
型號 | S185DA-Q |
可見光相機 | |
分辨率 | 1920×1080 |
響應波段 | 0.4μm~0.9μm |
像元尺寸 | 4μm |
光學變倍 | 20倍 |
電子變倍 | 2倍 |
焦距 | 10mm~200mm |
視場角 | 42°×24.4°~2.2°×1.2° |
光軸一致性 | ≤2個像素 |
對焦方式 | 自動對焦、手動調焦 |
最低照度 | 0.01Lux |
激光測距機 | |
波長 | 1535nm |
最大測距距離 | ≥8km(能見度≥15Km條件下) |
最小測距距離 | ≤20m |
測距精度 | ≤2m |
測距頻率 | 1~5Hz |
伺服平臺 | |
方位轉角 | 360°×n(360°連續旋轉) |
俯仰轉角 | -110°~+10°(向上為正) |
測角精度 | ≤1mrad |
穩定精度 | ≤20urad(1σ,1°/2Hz、2°/1Hz正弦搖擺) |
跟蹤精度 | ≤0.2mrad(1σ) |
最大跟蹤角速度 | ≥10°/s |
記憶跟蹤時間 | ≥3s |
最大角速度 | 方位≥60°/s,俯仰≥60°/s |
最大角加速度 | 方位≥10°/s2,俯仰≥10°/s2 |
系統指標 | |
圖像跟蹤 | 自動跟蹤選定目標 |
AI識別 | 自動檢測、識別典型目標 |
目標定位精度 | ≤20m(2km距離) |
額定工作電壓 | 24VDC |
供電電壓范圍 | 20V~32VDC |
功率 | 穩定功耗:≤60W(不含載荷) |
重量 | ≤2.5Kg(不含載荷) |
體積 | ≤185mm×170.5mm×273.5mm |
接口 | |
控制接口 | RS422 |
視頻接口 | 百兆網 |
存儲接口 | ≤128G存儲卡(Mini SD卡) |
圖片格式 | jpg格式 |
視頻格式 | avi格式 |
環境適應性 | |
工作溫度 | -40℃~+65℃ |
存儲溫度 | -50℃~+70℃ |
振動條件 | 加速度為2g;垂直、橫向、縱向三個方向各30min。 |
沖擊條件 | 峰值加速度20g,持續時間11ms |
防護等級 | 防小雨 |
?
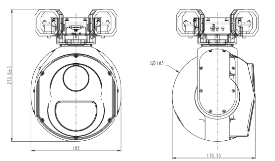
五、?機械尺寸及安裝接口
?
?
圖2產品機械尺寸圖
相關推薦








