IS118TA兩軸三光吊艙由非制冷紅外熱像儀、可見光相機、激光測距儀、兩軸軸伺服穩定平臺和圖像跟蹤器組成。具有重量輕、穩定精度高和集成度高等特點,可應用于彈體上,完成對目標打擊等任務。
IS118TA兩軸三光吊艙可根據目標的亮度特征或熱特征進行目標識別、跟蹤,并向無人機智控單元輸出框架角、視線角速率、失調角和目標距離等信息, 智控單元根據框架角等信息形成控制指令操縱無人機飛向目標完成精確打擊。
?
一、?實物圖片
?
圖1 產品圖片
二、?產品功能
a)?具備上電自檢并向智控單元發送自檢結果的能力:
b)?具備自主識別、 鎖定并跟蹤指定目標的能力;
c)?具備識別、 鎖定并跟蹤目標特定部位的能力;
d)?具備對地跟蹤和正常跟蹤兩種模式;
e)?具備輸出自身框架角、 視線角速率及激光測距信息的能力;
f)?具備輸出目標相對于相機光軸的失調角信息的能力:
g)?具備標記視場內多個單體目標并輸出對應編號和坐標的能力(激光測距無效時, 給出角度信息);
h)?具備將圖像壓縮并輸出的能力。
三、?掛載平臺
巡飛彈等。
?
四、?主要技術參數
型號 | IS118TA |
紅外熱像儀 |
探測器類型 | 非制冷焦平面探測器 |
工作波段 | 8μm~14μm |
探測器分辨率 | 640×512 |
像元尺寸 | 12μm |
鏡頭焦距 | 16mm f1.0 |
視場角 | 26.3°×21° |
偽彩 | 8 |
數字變倍 | 4 |
噪聲等效溫差 | NETD≤50mK |
最小可分辨溫差 | MRTD≤500mK |
可見光 |
分辨率 | 1920*1080 |
響應波段 | 0.4μm0.8μm |
像元尺寸 | 3.75um |
焦距 | 16mm |
視場角 | 21°×12° |
激光測距機 |
波長 | 905nm人眼安全 |
最大測距距離 | 180m |
最小測距距離 | 15cm |
測距精度 | 5cm |
測距頻率 | 1-100Hz可調 |
伺服平臺 |
偏航轉角 | -30°~+30° |
俯仰轉角 | -30°~+90° |
框架角精度 | ≤0.2° |
最大搜索角速度 | 20°/s |
最大跟蹤角速度 | 10°/s |
跟蹤角速度精度 | 角速度不大于土3°/s: 誤差不大于0.3°/s; 角速度大于土3°/s:誤差不大于10%; |
失調角信號精度 | ≤0.1° |
隔離度 | 不大于3% (2Hz, 3°); |
對地跟蹤穩定性 | 對地跟蹤模式下, 光軸擺動頻率不大于0.5Hz,其與地面垂線的夾角不大于20。 |
目標識別概率 | ≥90% |
最大調轉速度 | 30°/s |
最大調轉加速度 | 100°/s2 |
系統參數 |
開機準備時間 | ≤15S(完成自檢) |
供電電壓 | 28±4V |
功率 | ≤24w |
重量 | 650g |
體積 | Φ118mm×135mm |
接口 |
控制接口 | RS422 |
視頻接口 | 以太網 |
存儲接口 | ≤128G存儲卡(Mini SD卡) |
圖片存儲格式 | jpg格式 |
視頻存儲格式 | avi格式 |
環境適應性 |
工作溫度 | -40℃~+60℃ |
存儲溫度 | -40℃~+60℃ |
振動條件 | 加速度為2g;垂直、橫向、縱向三個方向各30min。 |
沖擊條件 | 峰值加速度20g,持續時間11ms |
防護等級 | 可在小、中雨中飛行 |
?
?
?
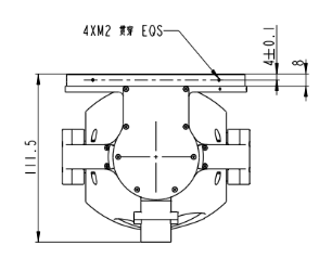
五、?機械尺寸及安裝接口

?
?
圖2 產品機械尺寸圖
?
圖3 產品安裝接口圖