一、?產品簡介
S090VB-NNV210T000L000光電吊艙由10倍連續變倍可見光相機、兩軸伺服穩定平臺和圖像處理組件組成。具有超小、超輕、高精度、低延遲等特點,可應用在小型、微型無人機上,完成對目標區域的晝夜偵察、監視等任務。
光電吊艙通過可見光相機實現對地目標的探測并實時輸出可見光視頻供任務執行人員查看。
該微型吊艙已經適配過國內多家主流飛控平臺,可實現與飛控的無縫對接;并可接入本單位ViewControlStudio顯控軟件平臺,協助總體單位快速完成無人機系統的開發。
該光電吊艙主要應用于偵查、導引、邊防巡邏、人員搜救、森林防火等場景。
實物圖片
?
圖1 產品圖片
二、?產品功能
a)?具備自檢和故障上報功能;
b)?具備實時輸出可見光圖像功能;
c)?可見光具備光學變倍、自動對焦、手動調焦、透霧和低照度功能;
d)?具備方位、俯仰兩軸自由度運動的能力;
e)?具備航向鎖定/手動搜索/隨動/姿態穩定/跟蹤等多種工作模式;
f)?具備隔離載體擾動,穩定視軸的能力;
g)?具備鎖定/解鎖目標功能,且鎖定目標后吊艙輸出圖像為帶有跟蹤框的圖像;(選配)
h)?具備目標自動跟蹤功能,能自動跟蹤目標,具備抗自然干擾的能力;(選配)
i)?具備記憶跟蹤功能,目標在短暫丟失后,可短時間內再次捕獲;
j)?具備調節波門大小的功能;
k)?具備跟蹤點切換功能;
l)?可通過串口/百兆網(UDP)與控制站雙向通信,可輸出系統工作狀態、相機工作狀態、光軸位置等信息;
m)?具備百兆網視頻接口(RTSP協議);
n)?具備拍照和錄像功能;
三、?掛載平臺
垂起固定翼無人機、旋翼無人機、系留無人機等。
?四、主要技術參數
型號 | S090VB-NNV210T000L000 |
可見光相機 |
分辨率 | 1920×1080 |
響應波段 | 0.4μm~0.9μm |
光學變倍 | 10倍 |
焦距 | 4.8mm~48mm |
視場角 | 60.2°×33.9°~6.6°×3.7°(±5%) |
變焦方式 | 自動對焦、手動調焦 |
最低照度 | 0.01Lux(彩色) |
伺服平臺 |
方位轉角 | 360°×n(360°連續旋轉) |
俯仰轉角 | -120°~+90°(向上為正) |
框架角精度 | ≤0.1°(1σ) |
穩定精度 | ≤0.1mrad(1σ) |
最大跟蹤角速度 | 20°/s |
最大調轉速度 | 方位≥50°/s,俯仰≥50°/s |
最大調轉加速度 | 方位≥20°/s2,俯仰≥20°/s2 |
系統指標 |
圖像跟蹤 | 自動跟蹤選定目標(選配) |
額定工作電壓 | 24VDC |
供電電壓范圍 | 12V~32VDC |
功率 | 穩定功耗:≤15W(24VDC上電峰值電流≤5A) |
重量 | ≤400g |
體積 | 88mm×81.6mm×131mm |
接口 |
控制接口 | RS232/TTL/RS422/百兆網(可選) |
視頻接口 | 百兆網 |
存儲接口 | ≤128G存儲卡(Mini SD卡) |
圖片格式 | jpg格式 |
視頻格式 | avi格式 |
快拆類型 | 不帶快拆 |
環境適應性 |
工作溫度 | -20℃~+55℃(-40℃可選) |
存儲溫度 | -40℃~+60℃ |
振動條件 | 隨機振動加速度為6g;垂直、橫向、縱向三個方向各5min。 |
沖擊條件 | 峰值加速度(半正弦波)20g,持續時間11ms |
防護等級 | 可在小雨中飛行 |
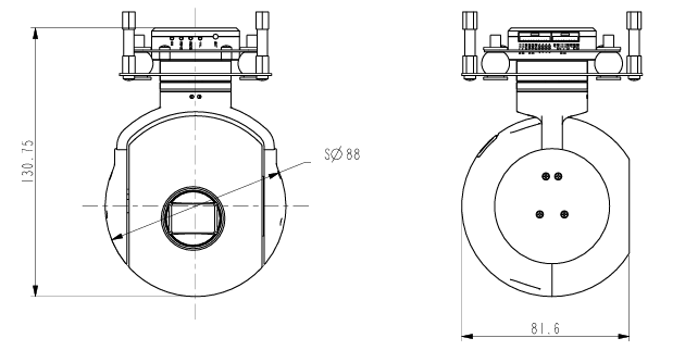
五、?機械尺寸及安裝接口圖


?
圖2產品機械尺寸圖
?