一、?產品簡介
S070TB微型光電吊艙由長短焦可見光相機(7倍混合變倍)、激光測距機、兩軸伺服穩定平臺和圖像處理組件(自主識別、跟蹤)組成。具有超小、超輕、高精度、低延遲等特點,可應用在小型、微型無人機上,完成對目標區域的偵察、監視等任務。
光電吊艙通過可見光相機實現對地目標的探測、識別和跟蹤,并同時實時輸出可見光視頻供任務執行人員查看。
該微型吊艙已經適配過國內多家主流飛控平臺,可實現與飛控的無縫對接;并可接入本單位ViewControlStudio顯控軟件平臺,協助總體單位快速完成無人機系統的開發。
該光電吊艙主要應用于偵查、導引、邊防巡邏、人員搜救、森林防火等場景。
一、?實物圖片
?
圖1 產品圖片
二、?產品功能
a)?具備自檢和故障上報功能;
b)?具備可見光波段探測能力,能輸出可見光圖像;
c)?具備方位、俯仰兩軸自由度運動的能力;
d)?具備接收控制站指令并完成吊艙操作的功能;
e)?具備手動搜索、掃描、歸中、自動跟蹤、數引等功能;
f)?具備隔離載體擾動,穩定瞄準線的能力;
g)?具備典型目標(人、車)識別功能;
h)?具備多目標跟蹤功能;(可選配)
i)?具備手動鎖定/解鎖目標功能;
j)?具備目標自動跟蹤功能,能自動跟蹤目標,具備抗自然干擾的能力;
k)?具備記憶跟蹤功能,目標在短暫丟失后,可短時間內再次捕獲;
l)?具備調節波門大小的功能;
m)?具備跟蹤點切換功能;
n)?可通過RS422/百兆網與地面站雙向通信,并輸出可見光圖像、系統工作狀態、相機工作狀態、光軸位置、視線角速度等信息;
o)?具備拍照和錄像功能;
p)?具備手動校漂功能;
三、?掛載平臺
微小型旋翼無人機、固定翼無人機、巡飛彈等。
四、?主要技術參數
型號 | S070TB |
廣角可見光相機 |
分辨率 | 2560×1440 |
焦距 | 4.45mm |
視場角 | 79.7°×50.3° |
視頻分辨率 | 1920×1080 |
長焦可見光相機 |
分辨率 | 2560×1440 |
焦距 | 16mm |
視場角 | 26.1°×14.9° |
視頻分辨率 | 1920×1080 |
激光測距機 |
波長 | 905nm |
最大測距距離 | ≥1.2km(能見度≥8Km條件下) |
最小測距距離 | ≤20m |
測距精度 | ≤2m |
測距頻率 | 1Hz可調 |
伺服平臺 |
方位轉角 | -90°~+90° |
俯仰轉角 | -90°~+30°(向上為正) |
角位置精度 | ≤0.3° |
穩定精度 | ≤0.1mrad(1σ1°/2Hz、2°1Hz) |
最大角速度 | 方位≥50°/s,俯仰≥50°/s |
圖像處理組件 |
自動識別 | 具備人、車目標自動識別目標數目≥32 |
自動跟蹤 | 目標大小≥16×16 |
跟蹤幀頻 | 50Hz |
圖像輸出 | RTSP/UDP/RTMP可選,碼率100kbps~6Mbps可設置 |
系統指標 |
圖像跟蹤 | 自動跟蹤選定目標 |
供電電壓 | 14V~28VDC |
功率 | 穩定功耗:≤12W 峰值功耗:≤20W |
重量 | ≤250g |
體積 | ≤70mm×73mm×93mm |
接口 |
控制接口 | RS422 |
視頻接口 | 百兆網 |
存儲接口 | ≥32G存儲卡(Mini SD卡) |
對外接插件 | J30-15ZKP |
圖片格式 | jpg格式 |
視頻格式 | avi格式 |
環境適應性 |
工作溫度 | -40℃~+55℃ |
存儲溫度 | -40℃~+60℃ |
抗發射沖擊 | ≥400g |
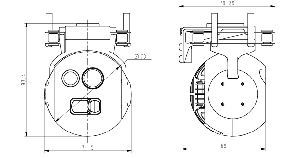
五、?機械尺寸及安裝接口


?
圖2產品機械尺寸圖