一、?產品簡介
S070TA微型光電吊艙由非制冷紅外熱像儀、長短焦可見光相機(7倍混合變倍)、兩軸伺服穩定平臺和圖像處理組件(自主識別、跟蹤)組成。具有超小、超輕、高精度、低延遲等特點,可應用在小型、微型無人機上,完成對目標區域的晝夜偵察、監視等任務。
光電吊艙通過非制冷紅外熱像儀和可見光相機實現全天時對地目標的探測、識別和跟蹤,并同時實時輸出紅外和可見光視頻供任務執行人員查看。
該微型吊艙已經適配過國內多家主流飛控平臺,可實現與飛控的無縫對接;并可接入本單位ViewControlStudio顯控軟件平臺,協助總體單位快速完成無人機系統的開發。
該光電吊艙主要應用于偵查、導引、邊防巡邏、人員搜救、森林防火等場景。
一、?實物圖片
?
圖1 產品圖片
二、?產品功能
a)?具備自檢和故障上報功能;
b)?具備長波紅外、可見光波段探測能力,能同時輸出紅外圖像和可見光圖像;
c)?具備可見光7倍光學混合變倍;
d)?具備方位、俯仰兩軸自由度運動的能力;
e)?具備接收控制站指令并完成吊艙操作的功能;
f)?具備手動搜索、掃描、歸中、自動跟蹤、數引等功能;
g)?具備隔離載體擾動,穩定瞄準線的能力;
h)?具備典型目標(人、車)識別功能;
i)?具備多目標跟蹤功能;(可選配)
j)?具備手動鎖定/解鎖目標功能;
k)?具備目標自動跟蹤功能,能自動跟蹤目標,具備抗自然干擾的能力;
l)?具備記憶跟蹤功能,目標在短暫丟失后,可短時間內再次捕獲;
m)?具備調節波門大小的功能;
n)?具備跟蹤點切換功能;
o)?可通過RS422/百兆網與地面站雙向通信,并輸出紅外圖像、可見光圖像、系統工作狀態、相機工作狀態、光軸位置、視線角速度等信息;
p)?具備拍照和錄像功能;
q)?具備手動校漂功能;
三、?掛載平臺
微小型旋翼無人機、固定翼無人機、巡飛彈等。
四、?主要技術參數
型號 | S070TA |
紅外熱像儀 |
探測器類型 | 非制冷焦平面探測器 |
工作波段 | 8μm~14μm |
探測器分辨率 | 640×512 |
像元尺寸 | 12μm |
鏡頭焦距 | 25mm |
視場角 | 17.5°×13.1° |
電子變倍 | 1~4X |
短焦可見光相機 |
CMOS分辨率 | 400萬 |
焦距 | 4.45mm |
視場角 | 79.7°×50.3° |
視頻分辨率 | 1920×1080 |
長焦可見光相機 |
CMOS分辨率 | 400萬 |
焦距 | 16mm |
視場角 | 26.1°×14.9° |
視頻分辨率 | 1920×1080 |
長短焦混合變倍 | 7倍 |
伺服平臺 |
方位轉角 | -90°~+90° |
俯仰轉角 | -90°~+30°(向上為正) |
角位置精度 | ≤0.3° |
穩定精度 | ≤0.1mrad(1σ1°/2Hz、2°1Hz) |
最大角速度 | 方位≥50°/s,俯仰≥50°/s |
圖像處理組件 |
自動識別 | 具備人、車目標自動識別目標數目≥32 |
自動跟蹤 | 目標大小≥16×16 |
跟蹤幀頻 | 50Hz |
圖像輸出 | RTSP/UDP/RTMP可選,碼率100kbps~6Mbps可設置 |
系統指標 |
供電電壓 | 12V~32VDC |
功率 | 穩定功耗:≤12W 峰值功耗:≤20W |
重量 | ≤250g |
體積 | ≤70mm×71.5mm×95.3mm |
接口 |
控制接口 | RS422/RS232/網絡可選 |
視頻接口 | 百兆網 |
存儲接口 | ≤512G存儲卡(Micro SD卡) |
對外接插件 | J30-15ZKP |
圖片格式 | jpg格式 |
視頻格式 | avi格式 |
環境適應性 |
工作溫度 | -20℃~+55℃(-40℃可選) |
存儲溫度 | -40℃~+60℃ |
抗發射沖擊 | ≥400g |
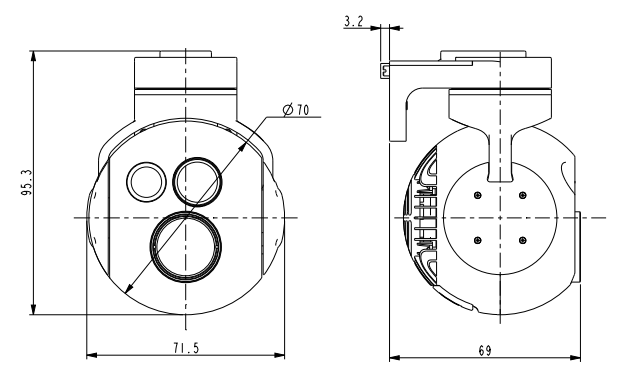
五、?機械尺寸及安裝接口


圖2產品機械尺寸圖
?